The MAX16946/MAX16947 high-voltage, high-side, current-sense LDO/switches feature internal current limiting to prevent system damage due to fault conditions. The MAX16946 provides a fixed regulated 8.5V output voltage or an adjustable 3.3V to 15V output voltage. The MAX16946 can also be configured as a switch, while the MAX16947 is only available as a switch. The input voltage range for both devices extends from 4.5V to 18V (45V tolerant),
making the devices ideal for providing phantom power to remote radio-frequency low-noise amplifiers (LNAs) in automotive applications.
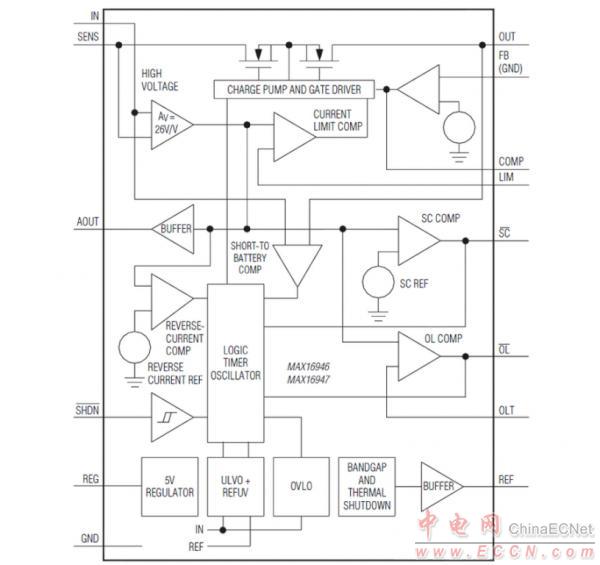
The devices monitor the load current and provide an analog output voltage proportional to the sensed load current. Accurate internal current limit protects the input supply against both overload and short-circuit conditions. Two open-drain fault indicator outputs indicate to the microprocessor when a short circuit, an open-load condition, or a short-to-battery condition exists. An overtemperature shutdown is also indicated by means of the current-sense amplifier’s output voltage.
A fault-blanking feature allows the devices to ignore momentary faults such as those caused by the charging of capacitive loads during hot-swapping, preventing false alarms to the system. The devices feature short-to-battery protection to latch off the internal LDO/pass switch during a short-to-battery event. During a thermal overload, the devices reduce power dissipation by going into thermal shutdown. They include an active-low, high-voltage-compatible shutdown input to place them in low-power shutdown mode.
The MAX16946 is available in thermally enhanced, 16-pin TQFN-EP and QSOP-EP packages. The MAX16947 is available in a 16-pin QSOP package. Both devices operate over the -40°C to +105°C temperature range.
Key Features
Switch Phantom Power-On/-Off Under µC Control Precision Adjustable Current Limit 300mA (max), TA = +105°C 500mA (max), TA = +85°C (MAX16946 in SW Mode Only) Regulated Output Voltage (MAX16946)—8.5V Fixed or Adjustable Between 3.3V and 15V Current Measurement Analog Voltage Output Detect Open-Load and Short-Circuit Conditions Provide Open-Drain Fault Signals (Active-Low SC and Active-Low OL) Overcurrent Blanking During Startup Thermal Shutdown AEC-Q100 Qualified -40°C to +105°C Operating Temperature Range

|